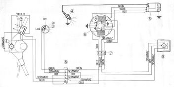
Schaltplan Zündschloss Vespa Px Schaltplan Vespa Px Alt
Schaltplan vespa px alt. Vespa scheinwerfer schaltplan wespenblech anschlüsse blinker kb. Schaltplan vespa px alt
schaltplan zündschloss vespa px
Download PDF
If you are {looking for|searching about} Zündschloss Rasentraktor Schaltplan you've {came|visit} to the right {place|web|page}. We have 17 {Pics|Pictures|Images} about Zündschloss Rasentraktor Schaltplan like Schaltplan Vespa PX alt | Wespenblech – Vespa Archiv, Schaltplan Vespa PX alt | Wespenblech – Vespa Archiv and also Schaltplan Vespa Px 125 Ohne Batterie - Wiring Diagram. {Read more|Here you go|Here it is}:
Schaltplan vespa px 125 ohne batterie


Schaltplan vespa px 80 alt. Schaltplan vespa px alt. Schaltplan altevespa. Spannungsregler schaltplan wespenblech regler blinker
Schaltplan Vespa PX alt | Wespenblech – Vespa Archiv
Schaltpläne Vespa - Kabel Schute
Schaltplan Vespa PX alt | Wespenblech – Vespa Archiv
Zündschloss Rasentraktor Schaltplan
Elektrik nicht vollständig angeschlossen und kein Licht 12v Umbau

Tidak ada komentar:
Posting Komentar